关闭

登录

logo图片
点击微信进行登录
使用账号登录
  • 首页
  • 课程中心
  • 知识共享
  • 互动交流
  • 精品套餐
  • 专家资源
登录

手机号码绑定

确定
  • 首页 >
  • 知识共享 >
  • 水土保持 >
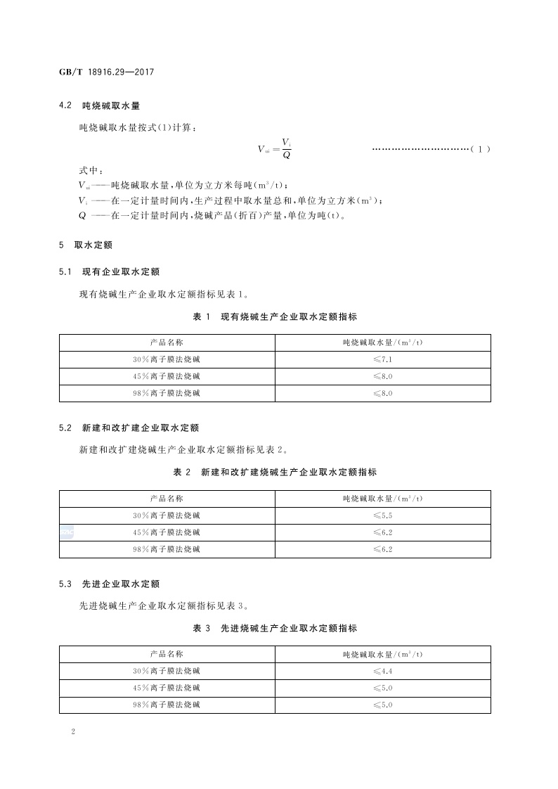
  • 《取水定额 第29部分:烧碱》(GB/T 18916.29-2017)/
《取水定额 第29部分:烧碱》(GB/T 18916.29-2017)
2025年06月04日 15:06
13


热门资讯
《山西省国土资源厅办公室关于进一步加强地质灾害危险性评估管理相关工作的通知》
《重大行政决策程序暂行条例》(2019年9月1日起施行)
《山西省卫生健康委办公室关于转发进一步加强用人单位职业健康培训工作的通知》
《中华人民共和国能源法》
《晋中市能源局关于进一步明确未履行节能审查手续项目节能 整改有关事项的通知》
《化工园区安全风险排查治理导则》解读

售前咨询

0351-6060668
微信咨询

微信咨询

微信公众号

微信公众号

微信小程序

微信小程序

0351-6060668
关于飛玥云课堂
首页
课程中心
知识共享
互动交流
精品套餐
专家资源
公司地址
山西省太原市万柏林区OEPC国际能源中心A座33层
微信公众号
版权所有 © 2024 深圳三眼信息技术开发有限公司    粤ICP备2024338257号