国家安全监管总局办公厅关于印发
《职业卫生技术服务机构检测工作规范》的通知
安监总厅安健〔2016〕9号
各省、自治区、直辖市及新疆生产建设兵团安全生产监督管理局,各省级煤矿安全监察局:
为规范职业卫生技术服务机构检测工作,保证检测活动客观公正、检测数据真实准确,根据《中华人民共和国职业病防治法》及《职业卫生技术服务机构监督管理暂行办法》(国家安全监管总局令第50号)等有关规定,国家安全监管总局研究制定了《职业卫生技术服务机构检测工作规范》。现印发给你们,请认真遵照执行。
安全监管总局办公厅
2016 年 2 月 6 日
职业卫生技术服务机构检测工作规范
第一条 为规范职业卫生技术服务机构检测工作,保证检测活动客观公正、检测数据真实准确,根据《中华人民共和国职业病防治法》及《职业卫生技术服务机构监督管理暂行办法》(国家安全监管总局令第50号)等有关规定,制定本规范。
第二条 本规范所称检测,是指职业卫生技术服务机构(以下简称技术服务机构)为用人单位进行的职业病危害因素定期检测,为建设项目职业病危害评价和用人单位职业病危害现状评价进行的检测。
第三条 技术服务机构应当加强专业技术人员管理,建立专业技术人员签名识别档案及其管理制度,定期组织业务培训,保证其业务能力满足职业卫生技术服务需要。
第四条 职业卫生检测工作应当按照国家职业卫生法律法规、标准规范要求的程序和内容开展(检测工作流程见附件1),不得更改、简化程序和相关内容。
第五条 技术服务机构从事检测活动前,应当与用人单位(或委托单位)签订技术服务合同(或协议),明确检测类别、检测范围、收费标准或合同价格、完成时间及双方的权利和义务等内容。
签订技术服务合同(或协议)前,技术服务机构应当根据检测工作的来源、性质、范围和内容等,结合自身资质条件和技术能力,按要求组织开展合同评审。
第六条 技术服务机构应当依法独立开展职业卫生检测工作,因计量认证范围限制或样品保存时限有特殊要求等原因需委托其他技术服务机构进行检测的,委托检测样品数量应当满足《职业卫生技术服务机构工作规范》(安监总厅安健〔2014〕39号,以下简称《工作规范》)的要求,且委托检测项目种类数不得超过检测项目种类总数的30%。
第七条 技术服务机构应当按照程序和以下要求开展现场调查(包括工作日写实):
(一)现场调查应当覆盖检测范围内全部工作场所。
(二)现场调查应当至少包括以下内容:
1.用人单位基本情况,包括单位名称、地址、劳动定员、岗位划分、工作班制。
2.生产过程中使用的原辅材料,生产的产品、副产品和中间产物等的种类、数量、纯度、杂质及其理化性质。
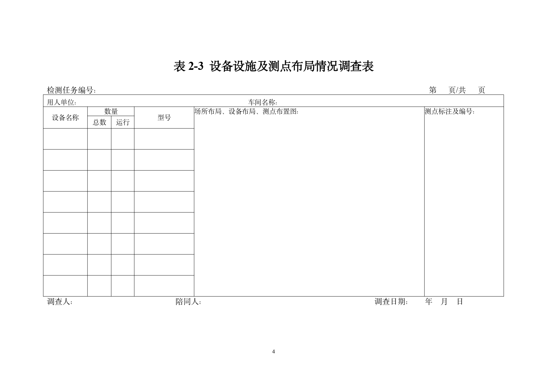
3.生产工艺和设备,包括设备类型、数量及其布局;主要工艺参数,生产方式,生产状态。
4.各岗位(工种)作业人员的工作状况,包括作业人数、工作地点及停留时间、工作内容和工作方式;接触职业病危害的程度、频度及持续时间。
5.工作场所空气中有害物质的产生和扩散规律、存在状态、估计浓度。
6.工作场所卫生状况和环境条件、职业病防护设施及运行情况、个人防护用品及使用情况。
(三)现场调查应当至少由2名专业技术人员完成,且应当包括相关行业工程技术人员。
(四)现场调查应当在正常生产情况下进行,且现场调查的时间应至少覆盖1个工作日。
(五)现场调查应当实时记录(现场调查记录表参照附件2),并经用人单位陪同人员签字确认。
(六)在用人单位显著标志物位置前拍照(摄影)留证并归档保存。
(七)根据实际情况,可在现场调查时开展预采样,预采样不能代替现场采样。
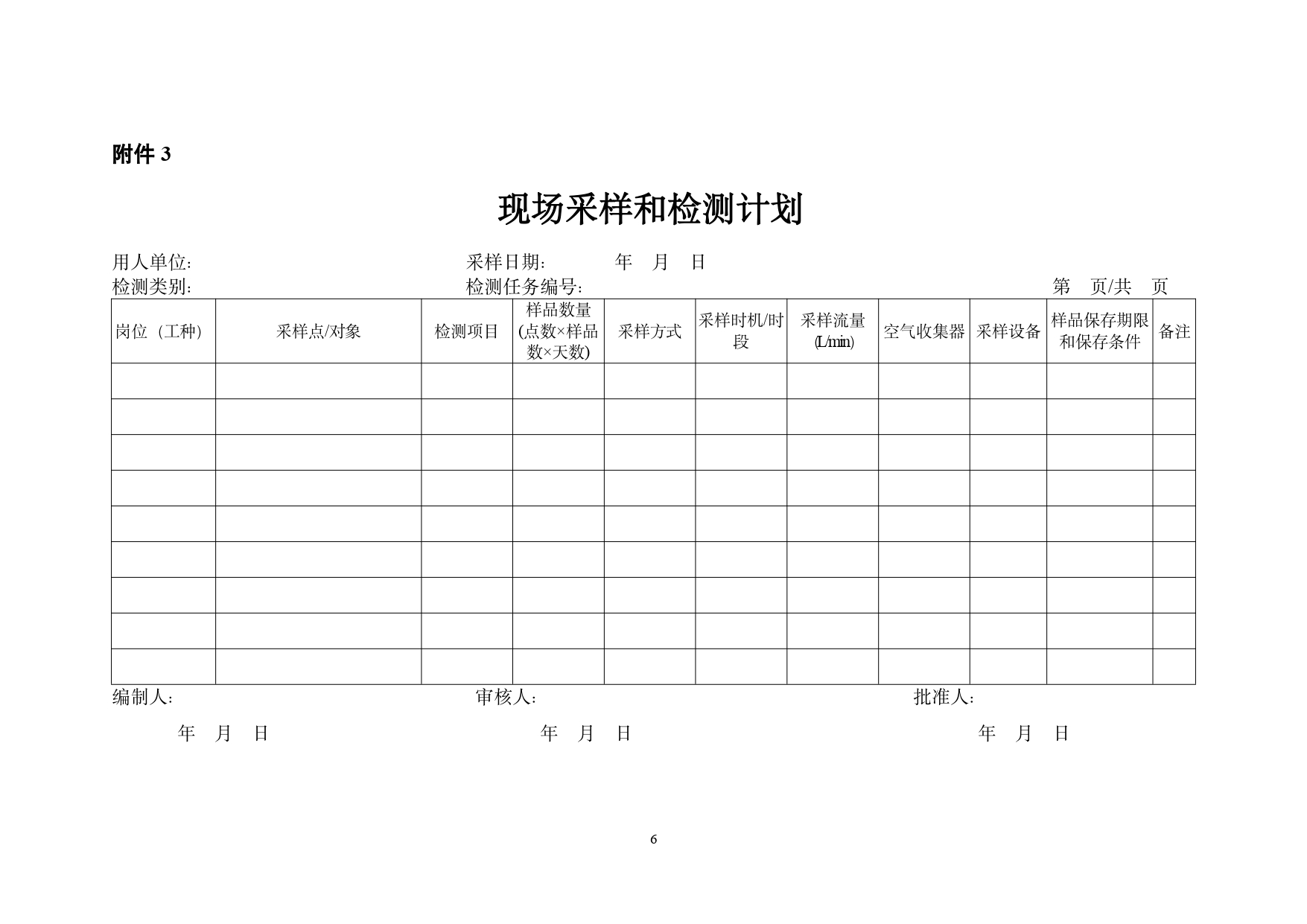
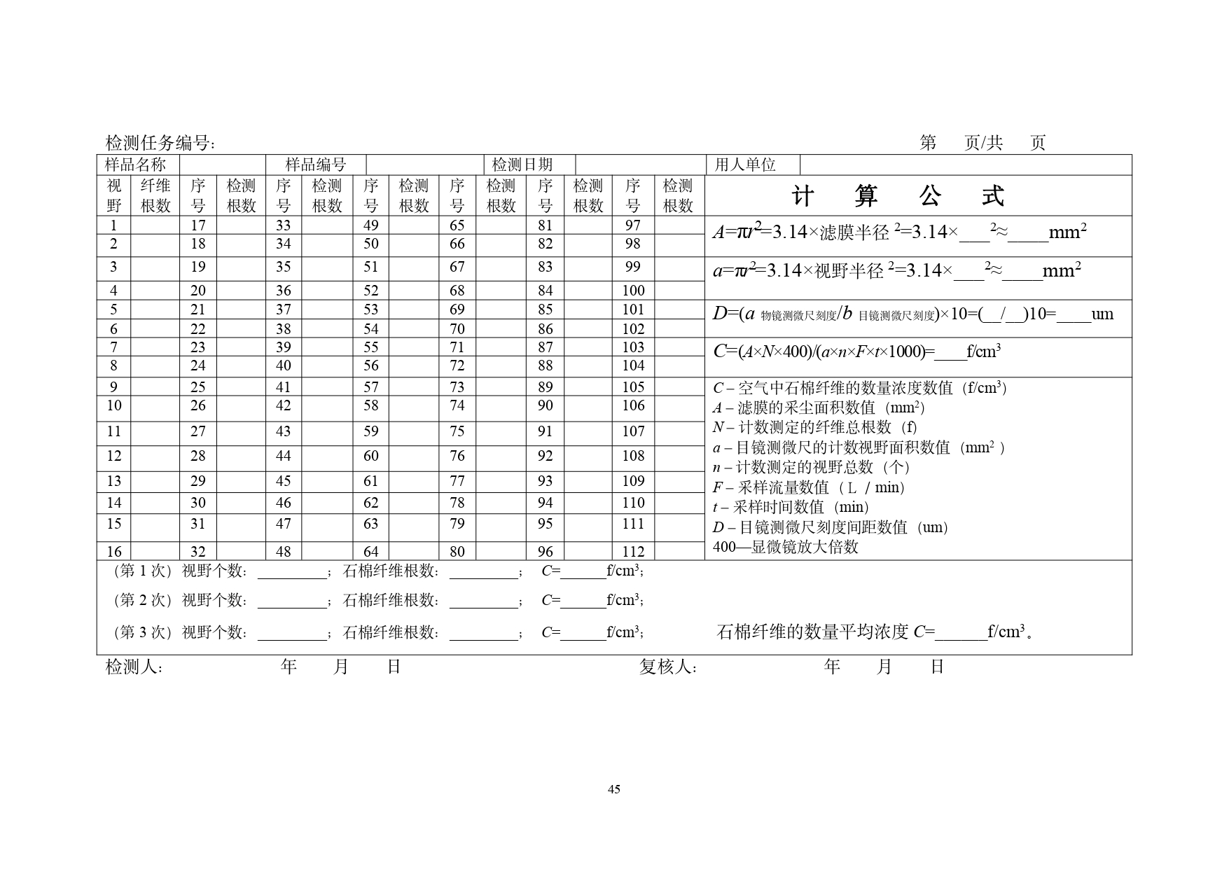
第八条 技术服务机构应当在现场调查的基础上,制定现场采样和检测计划。按照《工作场所空气中有害物质监测的采样规范》(GBZ159)、《工作场所物理因素测量》(GBZ/T189)和《工作场所空气中粉尘测定》(GBZ/T192)等标准要求,确定有代表性的采样点和采样对象、采样数量、采样时段,根据职业病危害因素的职业接触限值类型确定采样方法,绘制现场采样点设置示意图。
现场采样和检测计划应当至少包括用人单位名称、检测类别、检测任务编号、检测项目名称(职业病危害因素名称)、岗位(工种)、采样点或采样对象、采样方式(个体采样或定点采样)、采样时段、采样时间、样品数量、采样日期、仪器设备、空气收集器、采样流量、样品保存期限和保存条件、编制人、审核人、批准人、编制日期等信息(现场采样和检测计划表参照附件3)。
现场采样和检测计划应当经技术服务机构技术负责人批准。
第九条 技术服务机构在开展现场采样前,应当根据现场采样和检测计划做好以下准备工作:
(一)下达现场采样任务,做好任务分工。
(二)准备好符合采样要求的仪器设备,检查其性能规格(包括防爆性能)、电池电量、计量检定或校准有效期等情况,按要求领用仪器设备并做好记录。
(三)做好仪器设备的充电、流量校准等工作。校准流量时,必须串联与采样相同的空气收集器,并做好记录。
(四)准备好现场采样所需的空气收集器、相关滤料和试剂,确保其质量完好、数量充足。
(五)备齐现场采样记录表格。
(六)为现场采样人员配备适宜的个人防护用品。
第十条 技术服务机构应当按照以下要求开展现场采样(包括利用便携式仪器设备对危害因素进行现场测量):
(一)按照GBZ159、GBZ/T189、GBZ/T192及《工作规范》等标准规范的要求,在正常生产状况下进行现场采样。
(二)每个采样点现场采样应当由至少2名以上专业技术人员完成。采样人员应当遵守用人单位工作场所安全卫生要求,正确佩戴个人防护用品。采样前应当观察和了解工作场所卫生状况和环境条件,核实确认采样点、采样对象、采样时段、检测项目等信息。
(三)现场采样应当选定有代表性的采样对象或采样点、采样时段,应当包括职业病危害因素浓度(强度)最高的工作日和时段、接触职业病危害因素浓度(强度)最高和接触时间最长的劳动者。采样点和采样对象的数量必须满足标准要求。
(四)有害物质样品的采集应当优先采用个体采样方式。职业接触限值为时间加权平均容许浓度的有害物质的采样,应优先采用长时间采样,采样时间尽可能覆盖整个工作班;采用定点短时间方式采样的,应当在有害物质浓度不同时段分别进行采样,且同一采样点至少采集3个不同时段的样品。作业人员在不同工作地点工作或移动工作时,应当根据工作情况在每个工作地点或移动范围内分别设置采样点。
职业接触限值为最高容许浓度、短时间接触容许浓度或超限倍数的有害物质的采样,应当选择接触有害物质浓度最高的作业人员或有害物质浓度最高的工作地点,在有害物质浓度最高的时段进行采样,不得随机选取采样对象或采样点。当现场浓度波动情况难以确定时,应当在1个工作班内不同时段进行多次采样。
(五)化学因素现场采样的频次应当满足GBZ159要求,物理因素现场应当至少测量1个工作日。
(六)现场环境条件应当满足采样条件及仪器设备使用要求。采样时,应当观察仪器设备的运行状态,保持流量稳定,在空气收集器的采集容量饱和前及时更换收集器。采样时,不得在采样点处理样品(如打开滤膜夹或倒出吸收液),防止样品污染。
(七)采样时,应当按要求采集空白对照样品,同一检测项目同一批次样品至少采集3个空白对照样品。
(八)采集样品应有唯一性标识。
(九)现场采样记录应当实时填写,并经用人单位陪同人逐页签字确认。记录信息应当至少包括检测任务编号、样品名称、样品编号、采样点或采样对象、采样设备名称及编号、生产状况、职业病防护设施运行情况、个人防护用品使用情况、采样起止时间、采样流量、环境气象条件参数(温度、湿度、气压)、采样人、陪同人等相关信息(现场采样记录表和现场测量记录表参照附件4和附件5)。
(十)除涉及国家秘密、商业秘密、技术秘密及特殊要求的项目外,技术服务机构应当对现场采样情况进行拍照(摄影)留证。因故不能拍照(摄影)留证的,需用人单位书面确认。
第十一条 样品运输应当保证样品性质稳定,避免污染、损失和丢失。对于不稳定的样品,应采取必要措施妥善保存。
空白对照样品应当独立包装,与采集样品一并放置、运输、储存。
第十二条 技术服务机构应当加强样品接收、流转管理,保证各环节受控。样品接收人员检查并确认样品标签、包装完整后,填写样品交接记录。样品有异常或处于损坏状态,应如实记录,采取相关处理措施,必要时应重新采样。
样品交接记录至少应当包括检测任务编号、样品名称、样品编号、样品状态、样品数量、样品保存条件、交接日期、交接时刻、交接人员等信息。
第十三条 技术服务机构应当根据检测方法的要求,对采集样品、空白对照样品进行预处理。样品应在检测方法要求的有效保存期限内完成预处理和测定。
第十四条 技术服务机构应当按照以下要求进行样品测定:
(一)按照实验室资质认定批准的检测方法进行样品测定。
(二)仪器设备性能应当满足检测方法的要求,且通过计量检定或校准,并在有效期内。
(三)实验室环境条件应当满足仪器设备使用和检测方法要求。对环境条件有特殊要求的天平室、理化分析室、热解吸室等,应当按要求对环境条件进行控制并实时记录相关参数。
(四)按照操作规程进行仪器设备操作,记录仪器使用时状态、使用日期、样品名称、样品编号、使用人等信息。
(五)标准物质及化学试剂、试验用水等应当满足检测方法要求,并保证其质量。标准物质及化学试剂使用、配制应当实时记录,记录应当完整、清晰,记录内容应当至少包括标准物质或化学试剂的名称、批号、生产单位、配制时的环境条件、配制浓度、配制方法、配制日期、配制人等信息。标准溶液优先采用国家认可的标准物质进行配制,低浓度的标准溶液宜当日配制和使用。
(六)按照检测方法的要求配制相应的标准系列,制作标准曲线;标准系列应现用现制,不得使用过期的标准曲线进行分析。对同一天分析的不同检测任务的样品,使用相同标准曲线时,应当有可溯源的标准曲线使用记录。
(七)在样品测定前,应进行质控样品测定,测定结果满足质控要求后,方可进行样品测定。样品测定过程中,应根据仪器设备的稳定性,同一检测项目每分析10~30个样品应进行质控样品分析,检查分析条件的变动。质控样品测定结果应在质控标准值范围内,或在质控图控制线范围内。质控样品可直接外购或单独配制。如无质控样品,可采用加标回收率进行质量控制,加标回收率应保证在75%~105%。
(八)根据样品、空白对照样品的实验室分析结果和采样体积计算待测物浓度。
(九)对保存时限有要求需进行现场测定的样品,应按实验室资质认定的检测方法进行测定,使用的便携式仪器应在计量检定有效期内,仪器设备的技术指标应满足检测方法的要求。现场测定应在对样品无污染的场所进行,环境条件应满足仪器设备使用要求和检测方法要求,并做好记录。
(十)实验室分析(包括现场测定)记录应当至少包括检测任务编号、检测项目、样品编号、检测依据、检测参数、检测日期、环境条件参数(温度、湿度、气压)、样品处理、仪器设备(名称、型号及编号)、仪器设备条件参数、标准物质、标准曲线、质控样品、检测结果等信息(实验室分析记录表参照附件6)。
第十五条 检测结果处理应当满足以下要求:
(一)应当按照标准规范进行数值转换,并记录转换过程。
(二)应当采用法定计量单位,按照标准规范进行数值修约。
(三)检测结果按照以下原则表示:
1.职业接触限值为整数的,检测结果原则上应保留到小数点后1位;职业接触限值为非整数的,检测结果应比职业接触限值数值小数点后多保留1位。
2.当样品未检出时,检测结果表示为小于最低检出浓度,最低检出浓度至少保留1位有效数字。
3.当空白对照样品未检出时,检测结果表示为未检出。
(四)不得随意剔除有关数据,人为干预检测结果。当出现可疑数据需舍弃时,应分析原因并说明理由。
第十六条 检测工作中的各种原始记录应当使用受控的记录表格,及时、如实记录。记录信息应当全面、清晰、完整,按要求书写、复核、签字。记录划改应当规范,采用杠改方式,并由划改人签字或盖章。
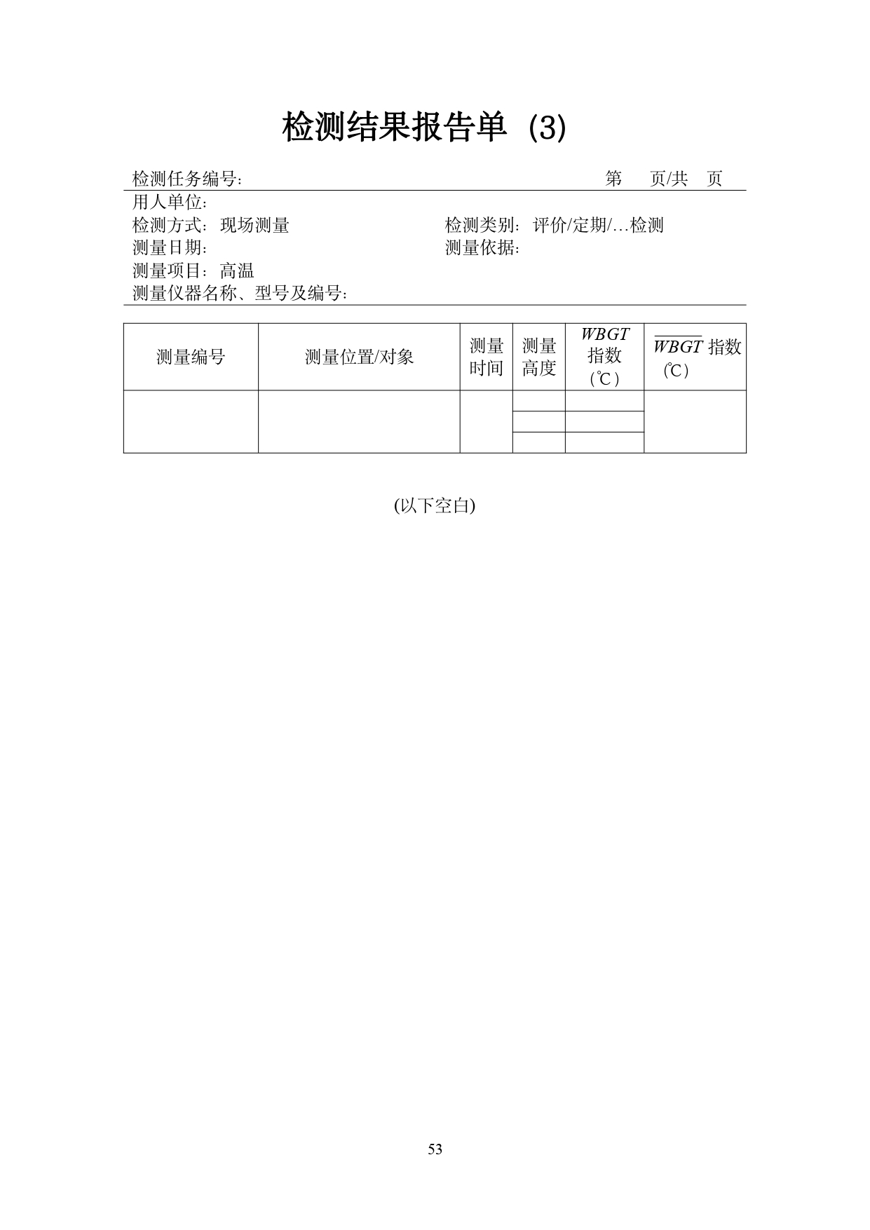
第十七条 技术服务机构应当按照以下要求向用人单位(或委托单位)出具检测报告(检测报告样式见附件7):
(一)检测报告应有唯一性标识,页码和总页数标识,表明检测报告结束的标识。
(二)检测报告应当有资质认定标识,技术服务机构公章或检测专用章,并加盖骑缝章。
(三)检测报告应注明检测类别。分次完成的定期检测项目,应当注明当次检测范围。
(四)检测报告内容应当完整、规范、信息全面,至少包括用人单位名称和地址、技术服务机构名称、检测任务编号、采样点或采样对象、采样日期、采样时间、采样方式、仪器设备名称及编号、检测依据、检测日期、检测结果、审核人、授权签字人等信息。
(五)定期检测报告除列出检测结果外,应按照职业接触限值要求汇总检测结果,并给出是否符合职业接触限值要求的结论,分析超标主要原因,提出整改措施建议。
第十八条 技术服务机构应当通过以下措施加强检测工作全过程的质量管理和控制:
(一)建立质量管理体系,体系文件应涵盖检测工作的全部程序和内容,满足检测工作的质量要求,具有可操作性。
(二)仪器设备应当按要求进行计量检定或校准,定期实施期间核查,并做好维护、保养。
(三)制定和实施内部质量控制计划,通过空白对照、比对、样品复测、加标、质控样品分析等方法加强内部质量控制。
(四)定期参加实验室间比对、能力验证等外部质量控制活动。
(五)制定人员培训、监督检查、仪器设备计量检定或校准、仪器设备维护保养、期间核查、内审、管理评审、质量控制等年度计划,并严格实施。
(六)检测工作各环节原始记录和检测报告均应当按要求进行审核,并有质量监督记录。审核人需经授权并具有中级以上技术职称。
第十九条 检测工作结束后,应将检测过程中产生的资料按要求归档保存,保证检测过程可溯源。检测档案应当至少包括以下内容:
(一)技术服务合同(或协议)。
(二)合同评审记录。
(三)现场调查、工作日写实等相关原始记录。
(四)现场采样和检测计划及审核记录。
(五)现场采样记录、现场测量记录、样品接收流转保存记录、实验室分析记录、原始谱图及计算过程记录等相关原始记录。
(六)技术服务过程影像资料。
(七)检测所需的技术资料。
(八)检测报告及审核记录。
(九)其他与检测相关的记录、资料。
附件:


























































